91抖音免费版,91抖音下载入口,91抖音短视频,91抖音APP下载

    您好,歡迎來到杭州91抖音免费版科技有限公司網站!

    水質91抖音下载入口谘詢:
    0571-28993551
    欄目導航
    解決方案
    聯係91抖音免费版
    服務熱線
    0571-28993551
    電話:13754313176
    地址: 浙江省杭州市拱墅區康中路16號
    總大腸菌群在線91抖音下载入口技術方案(大腸杆菌)
    瀏覽:0 發布日期:2021-03-01

    1、91抖音下载入口儀、設備選型清單
    根據用戶的實際需求,對水質大腸杆菌在線91抖音下载入口係統進行如下配置選型:

    91抖音下载入口儀名稱型號/規格生產廠家
    大腸杆菌在線分析儀 WECT900 杭州91抖音免费版科技有限公司
    水樣預處理單元 SAM-2000 杭州91抖音免费版科技有限公司
    低溫冷藏箱 LC-200 杭州91抖音免费版科技有限公司

    2、91抖音下载入口儀功能簡介、性能參數及標準規範
    2.1係統簡介
    在線大腸杆菌(菌群)分析儀采用國際標準的方法,酶與細菌培養反應後光信號變化成正比這一原理,反映出樣品中細菌總量或大腸菌群的多少。係統廣泛用於飲用水水源安全、應急評估及多細菌的測定,能對水汙染事件進行預警,同時可預警一般性水體汙染事件以及食物中毒事件。
    2.2大腸杆菌在線分析儀的特點
    1、操作簡單,集成報表生成,實時反應全過程91抖音下载入口,並動態顯示測試項目的反應曲線
    2、檢測靈活,測量周期短,響應速度快,檢測過程可自由設定,可由用戶定製測量周期,最短檢測時間5分鍾
    3、自動進行質控和校準,保證測試結果的一致性和可靠性
    4、全自動控製,用戶可編程檢測參數,適應不同應用場合對可疑樣本自動啟動循環檢測模式,同時啟動控製中心警報機器斷電後重新來電時,自動恢複工作狀態
    5、運行可靠,使用和維護成本低,自動完成樣本和試劑的分注、混勻和清洗,避免交叉汙染維護簡便,運行成本低,試劑消耗量小,每周維護一次,隻需要更換試劑,一次性耗材成本低
    2.3大腸杆菌在線分析儀的技術參數

    測量方法 酶底物法
    檢測參數 總大腸菌群或耐熱大腸杆菌(菌群)
    測量範圍 測量範圍: 1個/100ml—1×109個/ 100 ml
    重複性 5%
    分辨率 1%
    測量時間 小於12小時
    清洗維護 測量前後自動進行清洗消毒
    測量間隔 連續或者任意選擇,可設置
    校準周期 三個月
    人機操作 超大屏幕彩色液晶觸摸屏
    數據存儲 1年以上
    輸出 RS232,RS485,4-20mA,
    正常工作條件 環境溫度:0~40℃
    電源要求:220V AC±10%,50Hz±5%
    功率:不大於200W
    外界環境:無顯著震動及電磁幹擾,避免陽光直射
    尺寸 500mm×1650mm×310mm(W×H×D)

    3、91抖音下载入口儀安裝環境要求
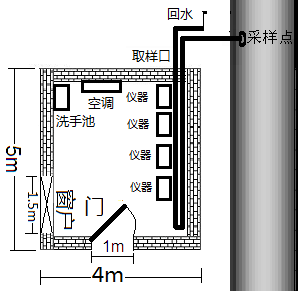
    3.1站房的選址
    站房選址應遵循距離排放口取樣點的就近原則,建議站房與排放口取樣點的直線距離不超過20m。也可以將站房直接選在排汙管的上方,這樣可極大的節省空間,同時將取樣點與91抖音下载入口房的距離降到最短。
     

       分析儀安裝平麵圖
    分析儀安裝平麵圖

    3.2管道鋪設
        在站房與取樣點之間無任何障礙或站房與取樣點之間鋪設的地麵管道在與企業協商後確定不會對企業正常生產條件和環境造成影響的情況下,可將取樣管和增加了套管保護的線纜直接鋪設在地麵上,一般距離地麵10cm左右的高度。

    地下取樣管鋪設圖
    地下取樣管鋪設圖

    管道鋪設還必須確保水樣的取樣點與91抖音下载入口儀器的水樣進口之間的落差不小於0.5米,目的是確保水樣在檢測完後能完全回流到源水處,進一步減少取樣管道結冰的可能性。
    3.391抖音下载入口房要求
    91抖音下载入口房應采用具有保溫及低能耗功能的材料建成。91抖音下载入口房在建成後會提供供電係統,供電電壓為AC220V,50Hz,電源容量不小於5kVA。電壓穩定性達不到91抖音下载入口儀要求時,還會配置穩壓電源;站房內的在線91抖音下载入口係統和電氣係統采用單獨接地方式,接地電阻不大於1Ω;91抖音下载入口站房內會安裝暖氣和空調,以保證室內環境溫度、相對濕度等應符合工業自動化儀表工作條件的要求,其中空調設備能在停電恢複後自動啟動;站房內采用節能燈照明。
    具體要求如下:
    (1) 室內屋頂、樓板等施工完畢,不得有滲漏。
    (2) 室內地麵基層施工完畢,並已經完成了給水排水的施工工程。
    (3) 在線儀表安裝地點的基層達到允許的安裝強度,無機械振動。
    (4) 門窗已經安裝完畢,儀器安裝施工的所用道路通暢。
    (5) 儀器前麵板機箱開門處,應保留1M以上的維護保養的操作空間。
    (6) 室內靠排水口一側牆底部開一個ф100預留孔供管路走線。

     供電要求

    電氣部分要求:
    (1) 儀器應提供單獨供電的交流電源,單相4匹漏電保護開關的配電盤
    (2) 交流供電的電源應平穩可靠,供電電壓AC90~264V;頻率:50HZ±1%;容量:5KVA。
    (3) 電源至在線儀表的供電方式采用單相3線方式,必須提供火線(L)、零線(N)、保護接地線(PE)且必須接地良好。

    供水要求
    配套設備


    配備的空調須保證91抖音下载入口房的環境溫度始終不高於25℃。

    冰箱

    91抖音下载入口房應配備冰箱,用於保存儀器所需的生物製劑。
    4、91抖音下载入口儀安裝

    安裝示意圖

    安裝示意圖

    4.1儀器安裝準備
    儀器出廠標配:
    (1)分析儀主機一台
    (2)預處理設備一台。
    (3)試劑冷藏箱一台
    (4)試劑桶若幹。
    用戶準備:
    (1)水泵一台,220V,0.5kW,吸程3米或揚程6米,具體情況可視現場而定。
    (2)泵電源線長度為取樣點至儀器內部距離。
    (3)儀器電源線長度為配電盤至儀器內部距離。
    (4)進樣管長度為取樣點至儀器距離。
    (5)電源線護套管(ф20PVC)長度為汙水泵至儀器距離。
    (6)電源線護套管(ф20PVC)長度為配電盤至儀器距離。
    (7)進樣護套管(ф32PVC)長度為取樣點至儀器距離。
    (8)溢流管(ф20PVC)長度為儀器至漏或排水口距離。
    (9)出水管(ф20PVC)長度為儀器至地漏或排水口距離。
    (10)上述管道延長所需的直通(ф20PVC)若幹個。
    (11)上述管道拐彎所需的彎頭(ф20PVC)若幹個。
    (12)上述管道垂直連接所需的三通(ф20PVC)若幹個。
    (13)上述管道連接過程中所需的PVC膠水一盒。
    (14)純淨水20升。
    (15)化學試劑配置過程中所需的98%分析純硫酸至少兩瓶、無水乙醇一瓶。
    (16)化學試劑配置過程中所需的量筒、容量瓶、燒杯、移液管若幹。
    4.2儀器安裝

     分析儀安裝管路圖
    分析儀安裝管路圖

    安裝說明
    l 應視現場情況決定預處理單元采用室內還是室外安裝方式。
    l 預處理單元與主機的連接距離不能超過 3米。
    l 依據安裝規範進行儀器的安裝。
    l 儀器安裝完成後,記錄相關信息,根據使用說明書調試儀器。
    l 儀器可立式安裝,亦可掛牆安裝。具體安裝方式由工程技術人員視現場情況,做相應選擇。
    4.3數據傳輸
    儀器提供數字、模擬等多種數據傳輸接口,包括4-20mA和RS232接口,通過上述接口可方便的將91抖音下载入口儀測量出的結果實時傳輸到用戶的中控中心或上級主管部門。
    5、售前、售後服務
    5.1供貨計劃
    所有上述設備在中標後且與用戶確定好安裝條件均可保證在一個星期內到貨。
    5.2安裝調試
    在與用戶確定好安裝條件後兩個星期內完成設備安裝與調試。
    5.3培訓計劃
    在安裝調試完畢後,對業主進行現場技術培訓,其培訓內容以設備的使用手冊為主,包括了如何使用,如何維護。
    5.4備件清單

    備件名稱型號/規格單位數量生產廠家
    進樣管 2X3 2 杭州91抖音免费版科技有限公司
    管接頭 SM6 2 杭州91抖音免费版科技有限公司
    過濾網 20目 2 杭州91抖音免费版科技有限公司
    定量管 MD-DL 2 杭州91抖音免费版科技有限公司
    矽膠管 Φ6 2 杭州91抖音免费版科技有限公司
    工具   1 杭州91抖音免费版科技有限公司


    網站地圖
  1. 友情鏈接/LINKS

    杭州91抖音免费版科技有限公司 版權所有浙ICP備71412639號-3 浙公網安備 33010502006489號
    電話:0571-28993551 13754313176      郵箱:moditech@163.com
    地 址:浙江省杭州市拱墅區康中路16號
    網址:www.venchina.net
    杭州91抖音免费版科技有限公司是專業從事各種水質分析儀器的研發、生產、銷售的綜合性科技型公司!

    微信公眾號
    網站地圖